1
/
de
3
VXB
FHLF206-19G Bearing Flange 2 Bolt 1 3/16" Bearing
FHLF206-19G Bearing Flange 2 Bolt 1 3/16" Bearing
Preço normal
$69.99 USD
Preço normal
$107.00 USD
Preço de saldo
$69.99 USD
Preço unitário
/
por
Não foi possível carregar a disponibilidade de recolha
This item will be shipped within One Week Returns Subject to 15% restocking Fee |
FHLF206-19G Flange Light Duty 2 Bolt Unit Ball Bearings Eccentric Locking Collar 1 3/16" inch Inner Diameter |
FHLF206-19G Flange Light Duty 2 Bolt Unit Ball Bearing, Bearing is Light Duty and high grade cast iron, ideal for applications with limited mounting space, bearing is narrow inner ring, bearing is relubricatable, Standard seal is RST tight riding, full cover, metal shroud seals.
|
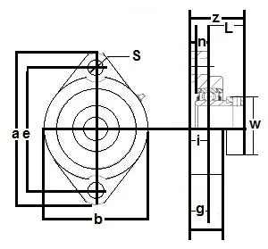
Dimensions (inches) | ||||||||||
---|---|---|---|---|---|---|---|---|---|---|
a | e | i | g | l | s | b | Z | L | n | W |
4-7/16" | 3-9/16" | 15/32" | 15/32" | 7/8" | 15/32" | 3" | 33/64" | 1-13/32" | 23/64" | 1-3/4" |
Share


