1
/
van
3
VXB
FHLF205-14 Bearing Flange 2 Bolt 7/8"
FHLF205-14 Bearing Flange 2 Bolt 7/8"
Normale prijs
$54.99 USD
Normale prijs
$84.00 USD
Aanbiedingsprijs
$54.99 USD
Eenheidsprijs
/
per
Kan beschikbaarheid voor afhalen niet laden
| This item will be shipped within One Week Returns Subject to 15% restocking Fee |
|
FHLF205-14 Flange Light Duty 2 Bolt Unit Ball Bearings Eccentric Locking Collar 7/8" Inner Diameter |
FHLF205-14 Flange Light Duty 2 Bolt Unit Ball Bearing, Bearing is Light Duty and high grade cast iron, ideal for applications with limited mounting space, bearing is narrow inner ring, bearing is Non-relubricatable, Standard seal is RST tight riding, full cover, metal shroud seals.
|
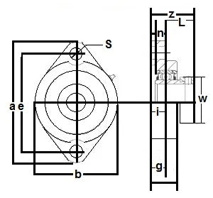
| Dimensions (inches) | ||||||||||
|---|---|---|---|---|---|---|---|---|---|---|
| a | e | i | g | l | s | b | Z | L | n | W |
| 3-3/4" | 2-63/64" | 7/16" | 7/16" | 25/32" | 25/64" | 2-13/32" | 1-23/64" | 7/32" | 19/64" | 1-1/2" |
Share
