1
/
von
3
VXB
FHLF207-21 Bearing Flange 2 Bolt 1-5/16"
FHLF207-21 Bearing Flange 2 Bolt 1-5/16"
Normaler Preis
$107.99 USD
Normaler Preis
$165.00 USD
Verkaufspreis
$107.99 USD
Grundpreis
/
pro
Verfügbarkeit für Abholungen konnte nicht geladen werden
| This item will be shipped within One Week Returns Subject to 15% restocking Fee |
|
FHLF207-21 Flange Light Duty 2 Bolt Unit Ball Bearings Eccentric Locking Collar 1 5/16" inch Inner Diameter |
FHLF207-21 Flange Light Duty 2 Bolt Unit Ball Bearing, Bearing is Light Duty and high grade cast iron, ideal for applications with limited mounting space, bearing is narrow inner ring, bearing is Non-relubricatable, Standard seal is RST tight riding, full cover, metal shroud seals.
|
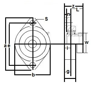
| Dimensions (inches) | ||||||||||
|---|---|---|---|---|---|---|---|---|---|---|
| a | e | i | g | l | s | b | Z | L | n | W |
| 4-13/16" | 3-15/16" | 33/64" | 33/64" | 15/16" | 15/32" | 3-1/2" | 1-11/16" | 1-17/32" | 3/8" | 2-3/16" |
Share
